前言
USART串口传输能实现信息在设备之间的点对点传输,支持单工、半双工、全全双工,一般是有三个引脚:TX、RX、SW_RX(共地)。不需要一根线来同步时钟。最大优点是可以和电脑通信,实现程序调试的功能。
导航
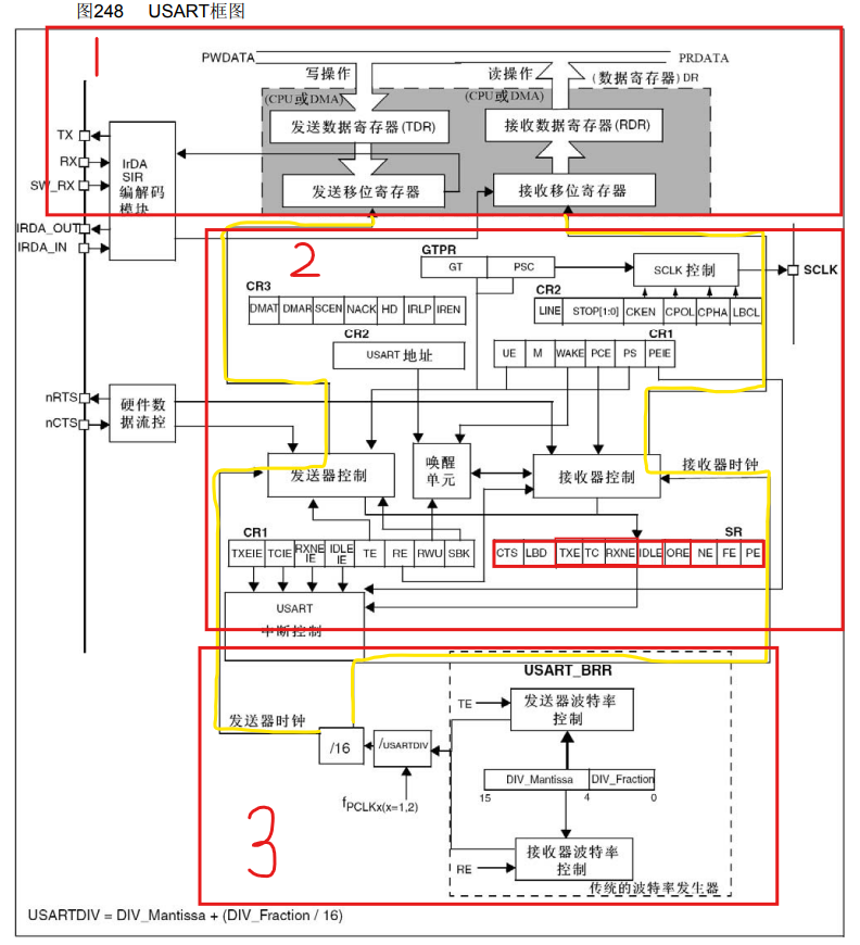
图248 USART框图:

图片引自STM32 F1XX系列的中文参考手册。
USART发送和接收的实现细节
第一部分
首先,对于图248的1号矩形框部分。该部分负责数据的发送和接收。(类似人体的四肢
截取了中文手册有关USART的一幅时序图,如下:

首先解释一下空闲帧和断开帧:
从图中可以看到,空闲帧包括了停止位。而断开帧是10位低电平,后跟停止位(当m=0时);或者11位低电平,后跟停止位(m=1时)。不可能传输更长的断开帧(长度大于10或者11位)。
发送流程:
引脚处于空闲状态时,一般是高电平状态。发送使能位被使能:
USART_CR1.TE[3]位被置为1。(由用户)数据写到发送数据寄存器。在写之前,用户会等待
USART_SR.TXE[7]被硬件置位,只有该位被置为才说明发送数据寄存器为空,此时写入数据就是安全的,不会造成覆盖的问题。(以下步骤都是由硬件完成)将发送数据寄存器的内容移到发送移位寄存器,同时将
USART_SR.TXE[7]置位。以示发送数据寄存器为空。发送一个起始位。(低电平)
从最低位开始,左移位将发送移位寄存器的值按位发送到TX引脚(对发送方)。
如果用户使能了
USART_CR1.PCE[10],会根据USART_CR1.PS[9]发送一个校验位。最后,根据
USART_CR2.STOP[13:12]的配置发送若干个停止位。(高电平)将状态寄存器
USART_SR.TC[6]置位,表示数据的一帧发送完成。
接收流程:
接收使能位被使能:
USART_CR1.RE[2]。(以下未特别说明,都是由硬件完成)从RX引脚(对接收方)检测到起始位,接收移位寄存器准备接收数据。
接收移位寄存器从最高位开始,左移位依次按位从RX引脚(对接收方)接收数据。
接收到停止位。
如果使能了校验位的话,根据配置进行数据校验。
校验合格的话,就将接收移位寄存器的值移到接收数据寄存器。
将
USART_SR.RXNE[5]置位,表示接收数据寄存器非空,提醒用户接收到数据了。(由用户)读取接收数据寄存器的数据。
注意:
虽然用户可以操作的寄存器只有一个USART_DR,但是实际上发送和接收数据寄存器在硬件上是各自一个!这样的设计也是双缓冲的实践。
在发送和接收数据之前,用户必须统一设置两端的波特率、校验方式、停止位的数量、字长。否则这四项数据不一致,一定会造成传输错误,导致传输无法进行。其原因从上面的传输流程很容易推断。
有关状态寄存器的位的解释如下:


上面对过载错误位做了一个特写。这是因为我再编码的过程中遇到的一个BUG。排查了半天,原因是当RXNEIE接收中断位使能时,发送方的ORE标志位和RXNE标志位的置位都会触发RXNE事件的中断,当中断处理函数在处理完毕后,只复位RXNE标志,而不管ORE,后续还是会不断的产生中断。所以根据手册(手册其实是有误的),我们需要先读USART_SR,在读USART_DR将ORE标志位清除。(注意!库函数Clear类函数不能清楚ORE位!),这里放一张中断请求对应的事件表:

第二部分
对于图248的2号矩形框部分。该部分负责接收和发送的控制,(类似人体大脑。
图中可以看到有很多的控制器、控制寄存器、标志寄存器等。我们可以设置相应的寄存器从而控制收发来实现一些功能。具体寄存器的功能可以参考中文手册,这里不过多赘述。
第三部分
对于图248的3号矩形框部分。该部分负责控制接收和发送的时钟。接收和发送的时钟也称之为波特率,通过波特率,通信双方就能协调其收发的频率(类似人体心脏。
从图248的3号矩形框部分,可知,发送和接受器时钟是相等的。而时钟最开始是来自F_PCLK,送和接受器的时钟是对F_PCLK进行了一个 (16 * USARTDIV) 分频,USARTDIV是一个可调的定点小数。


这里解释一下中文手册里面“如何从USART_BRR寄存器值得到USARTDIV”的示例一。 最开始看到这个例子我也是很懵的,什么是定点小数?这是怎么用整数来表示小数的?为什么 <Fraction (USARTDIV) = 12/16 = 0.75> 这里要除以16?原理是这样的:
USART_BRR寄存器里面按定点小数的方式存放USARTDIV的值。只使用了16位,高12位存放小数的整数部分,低4位存放的是小数部分。整数部分很好说,直接存放进去就好了。而小数部分呢,因为小数部分一定是小于1的,所以,它根据低4位所能代表的值,将1划分成了2^4份,也就是16份,每一份占1/16,所以我们要将小数部分表示成4位整数就将小数乘以16并向上取整即可。溢出的话就向整数部分进一。反之,要从4位整数还原小数,就用4位整数乘以1/16。
中文手册总结了一个公式:
波特率 = F_PCLK / (16 * USARTDIV)
通信必须维持相同的波特率。双方各自通过调节USARTDIV,就可以在不同环境下将双方但的波特率调成一样的。
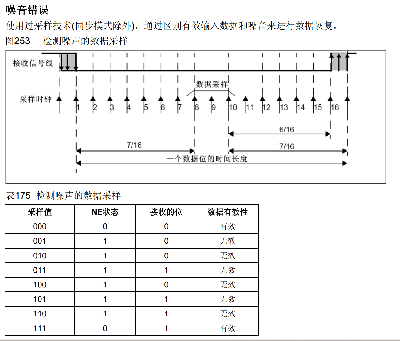
此外,还应该说明的是,公式中,有一个乘以 1 / 16 的操作,这么做的目的是发送接收控制器里面有一个比波特率大16倍的采样频率。采样频率起到很好的滤波效果,它会对每一位进行16次采样。采样对于起始位的探测非常的精妙。并且,对于数据位,中间的8、9、10次采样会起到决定性作用。
起始位探测:

首先,我们称对第3、5、7次采样为第一阶段采样,对第8、9、10次采样为第二阶段采样。
如果该序列不完整,那么接收端将退出起始位侦测并回到空闲状态(不设置标志位)等待下降沿。
两个阶段检测的全是0,则确认收到起始位,这时设置RXNE标志位,如果RXNEIE=1,则产生中断。
如果两阶段中3个采样点上仅有2个是0,那么起始位仍然是有效的,但是会设置NE噪声标志位。如果不能满足这个条件,则中止起始位的侦测过程,接收器会回到空闲状态(不设置标志位)。
如果两个阶段只有一个阶段中3个采样点上仅有2个是’0’,那么起始位仍然是有效的,但是会设置NE噪声标志位。
数据位噪声探测:

对数据位的采样只有一个阶段采样有效,即对8、9、10次采样。
上方图片的下面的表格已经规定了采样的值和有效性的映射。读者可以好好的品味一下。
最后,注意因为定点数表示小数是有精度的,所以波特率的计算是存在误差的,具体误差可以查阅中文手册。此外通过中文手册可知F_PCLK有两种情况:
PCLK1用于USART2、3、4、5。
PCLK2用于USART1
USART发送和接收的配置步骤
USART的配置步骤比较简单。
通信双方确定好波特率、停止位数、校验方式、字长。
通过
USART_SR.RXNE[5]产生的中断(接收数据寄存器非空),去异步接收数据。通过直接读写USART_DR寄存器可以实现数据的接收和发送。
需要的话,可以等待
USART_SR.TC[6]被硬件置位,来确保发送完成。处理中断后,一定要注意彻底清除中断相应的标志位!防止中断假触发!
USART发送和接收的代码
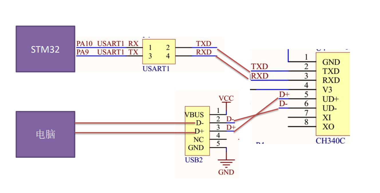
我的开发板硬件连接图如下,所以本实验使用USART1进行串口通信。

并且,将PA9、PA10分别配置成推挽复用输出、浮空输入或带上拉输入。


代码如下:
1 | int fputc(int ch,FILE *p) {//函数默认的,在使用printf函数时自动调用 |
实验结果就是上位机通过给串口发送字符串,上位机接收框出现回显的效果。
本章完结